9. Wearables¶
Research¶
Irene Posch A big crush! I really like the use of electronics in artistic installations full of poetry. It’s just perfect. The apparent simplicity of the assemblies allows for keeping a lot of lightness. I love it!
*Electronic Needlework
Electronic Needlework shows three framed historic plates from the Encyclopédie ou Dictionnaire raisonné des sciences, des arts et des métiers describing and picturing “Brodeur” (embroiderer), and three object frames with diverse electronic textile needlework materials, tools, and application samples.*
Unstable Design
Another favorite, for this design studio. I feel that it is possible to bring together the researcher’s artist!
(Left) a sample page from our pictorial mapping our various explorations of core spinning.
(Right) Wear, designed and made by Laura Devendorf, is a project that explores how we might use technology on the body to reflect upon embodied experiences. Created during the 2020 COVID Lockdown, it is a handwoven garment with 21 force sensors that capture where her body encountered pressures (from children, objects, etc) for 24 hours. These experiences of pressure and touch can be replayed via heating circuitry in the cloth, allowing the recorded experiences to become visible as heat across the garment and body.
Joana Vasconcelos
Artist Joana Vasconcelos sets the backdrop of Dior’s AW23 show in Paris with her kaleidoscopic fabric-filled installation ‘Valkyrie Miss Dior’. The epic, site-specific textile installation Vasconcelos infuses floral textiles inspired by the House’s archives.
While reading the descriptions, I see that his works are filled with LEDs, inflatable components, fans controlled by microcontrollers. Interesting... I see the work in a different light!
Image: DIOR
Valkyrie Miss Dior by Joana Vasconcelos
Tools¶
Embrodery
-
Conductive thread MADEYRA to sew with embrodery
-
Conductive thread to sew with needle
Serigraphy
- Thermo-ink SICO
Electronics
-
arduino
-
Fabrixiao 3240
-
Mosfet PQPSONO6L
-
Diode 1N4001
-
Led sequins x15
-
Resistor 10k X3
-
Led yellow X1
-
Resistor 150k X1
-
5V extern battery
Textile Speaker¶
Test of our conductive yarn¶
Last year at Greenfabric, they embroidered Fabricademy's logotype on thermo-ink. It shows the conductivity perfectly.
Circuit¶
First try¶
After assembling the example circuit, I embarked on the design of a concentric star about 12 cm. My idea was to facilitate the attachment of the clamps by bringing out the central wire towards the outside. That's was a bad idea. The current does not pass in an eliptych way.
Excellent opportunity to be trained on the basics of embroidery!
I reused my star on Illustrator
- Draw your form using the gradient utility of shapes (W) to create intermediate shapes. With the decomposition of shapes, I manually connected each shape together to create a single seam. (It does exist a perfect tool in Inkscap perfectely well done to do it)
- Import the SVG file in SVG
- Installed the extension Ink/stiches.
- Checking the scale of my drawing
- I selected it and opened the "Ink/Stiches" / "settings" extension
- Keep a minimum stitch length of 2.5 mm, single thread (no return on each stitch)
- Save on the USB key the ".DST" file.
Recommandations to make a speaker
- Eliptich design
- narrow stiches lignes
- not too long for a lower resistance
- goog conductive thread
- Quite dry and taut fabric on a frame
The speaker¶
Here you have the example of the circuit that worked best! It’s just a circular hand stitch on poppeline.
The star 1 was obtained by using Illustrator and Inkscape
Here is the speaker that works! The concentric drawings, not too big for the magnets, tight and not too long. All the embroidery tests are disappointing. It would be necessary to redo the mamuel drawing in embroidery to see if it’s the embroidery thread or the technique that poses a problem. On the other hand, the embroidered effect in conductor is perfect for other uses.
// -------------------------------------------------
// Copyright (c) 2022 HiBit <https://www.hibit.dev>
// -------------------------------------------------
#include "pitches.h"
#define BUZZER_PIN 9
int melody[] = {
NOTE_AS4, NOTE_AS4, NOTE_AS4,
NOTE_F5, NOTE_C6,
NOTE_AS5, NOTE_A5, NOTE_G5, NOTE_F6, NOTE_C6,
NOTE_AS5, NOTE_A5, NOTE_G5, NOTE_F6, NOTE_C6,
NOTE_AS5, NOTE_A5, NOTE_AS5, NOTE_G5, NOTE_C5, NOTE_C5, NOTE_C5,
NOTE_F5, NOTE_C6,
NOTE_AS5, NOTE_A5, NOTE_G5, NOTE_F6, NOTE_C6,
NOTE_AS5, NOTE_A5, NOTE_G5, NOTE_F6, NOTE_C6,
NOTE_AS5, NOTE_A5, NOTE_AS5, NOTE_G5, NOTE_C5, NOTE_C5,
NOTE_D5, NOTE_D5, NOTE_AS5, NOTE_A5, NOTE_G5, NOTE_F5,
NOTE_F5, NOTE_G5, NOTE_A5, NOTE_G5, NOTE_D5, NOTE_E5, NOTE_C5, NOTE_C5,
NOTE_D5, NOTE_D5, NOTE_AS5, NOTE_A5, NOTE_G5, NOTE_F5,
NOTE_C6, NOTE_G5, NOTE_G5, REST, NOTE_C5,
NOTE_D5, NOTE_D5, NOTE_AS5, NOTE_A5, NOTE_G5, NOTE_F5,
NOTE_F5, NOTE_G5, NOTE_A5, NOTE_G5, NOTE_D5, NOTE_E5, NOTE_C6, NOTE_C6,
NOTE_F6, NOTE_DS6, NOTE_CS6, NOTE_C6, NOTE_AS5, NOTE_GS5, NOTE_G5, NOTE_F5,
NOTE_C6
};
int durations[] = {
8, 8, 8,
2, 2,
8, 8, 8, 2, 4,
8, 8, 8, 2, 4,
8, 8, 8, 2, 8, 8, 8,
2, 2,
8, 8, 8, 2, 4,
8, 8, 8, 2, 4,
8, 8, 8, 2, 8, 16,
4, 8, 8, 8, 8, 8,
8, 8, 8, 4, 8, 4, 8, 16,
4, 8, 8, 8, 8, 8,
8, 16, 2, 8, 8,
4, 8, 8, 8, 8, 8,
8, 8, 8, 4, 8, 4, 8, 16,
4, 8, 4, 8, 4, 8, 4, 8,
1
};
void setup()
{
pinMode(BUZZER_PIN, OUTPUT);
}
void loop()
{
int size = sizeof(durations) / sizeof(int);
for (int note = 0; note < size; note++) {
//to calculate the note duration, take one second divided by the note type.
//e.g. quarter note = 1000 / 4, eighth note = 1000/8, etc.
int duration = 1000 / durations[note];
tone(BUZZER_PIN, melody[note], duration);
//to distinguish the notes, set a minimum time between them.
//the note's duration + 30% seems to work well:
int pauseBetweenNotes = duration * 1.30;
delay(pauseBetweenNotes);
//stop the tone playing:
noTone(BUZZER_PIN);
}
}
Bag¶
Idea¶
I wanted to draw a bag that would allow me to warn the person that she is too close to me and that I prefer that she maintain an intimacy distance that is sufficient for me not to be overly emotional. I found this very trendy item on Apple’s high-end market. A mesh phone pouch at an attractive price, already sold out! It’s proof that the world of textiles is everywhere and very trendy.
Schema¶
It took me several trials to understand how to connect the circuit in a different format. I used Illustrator to correctly place the elements and the connected. I used Tinkercad to try to program but I did not completely succeed. It is by using pieces of code that I asked MISTRAL to integrate them into me to obtain a unique code.
Production¶
Stéphanie programmed the Kniterate to obtain a rectangle allowing me to test my idea. I could only attend the manipulation because this machine and its program is very complicated. This allows me to see a little better its potential and its usability.
I reused the embroidery machine to make my circuit on poppeline in a rectangle that allows for the best housing of the Fabrixiao, the sonar, the Mosfet and the diode. Are the LEDs and their resistances externalized and placed in parallel on the knit?
I quickly realized that I could have short circuits and that I had to protect my conductive wires in many places. For example, the circuit sewn by hand with the LEDs cannot work because as soon as we take the handle, a short circuit is created. It is therefore necessary to think about lining and insulating the wires.
The bag¶
It doesn't work. I need help! Let's talk to my brother… It's still a good experience because I could see so many problems I have to solv: Electricity, connectors, sewing, loose connections, Resistors miss calculation, Battery...
Bag Result¶
Fabrixiao 3240
Small size: 40 mm. Programming via USB C. Two power connections and two GND connections. 4 analog inputs. 10 digital inputs/outputs. Connection via a 3.7 V battery. Includes an LED (D10) to test the board (assembly optional).
- Powerful MCU: Dual-core ARM Cortex M0+ processor, flexible clock running up to 133 MHz.
- Rich on-chip resources: 264KB of SRAM, and 2MB of on-board Flash memory
- Flexible compatibility: Support Micropython/Arduino/CircuitPython
- Easy project operation: Breadboard-friendly & SMD design, no components on the back
- Small size: As small as a thumb(20x17.5mm) for wearable devices and small projects.
- Multiple interfaces: 11 digital pins, 4 analog pins, 11 PWM Pins,1 I2C interface, 1 UART interface, 1 SPI interface, 1 SWD Bonding pad interface.
For general I/O pins: Working voltage of MCU is 3.3V. Voltage input connected to general I/O pins may cause chip damage if it' higher than 3.3V . For power supply pins: The built-in DC-DC converter circuit able to change 5V voltage into 3.3V allows to power the device with a 5V supply via VIN-PIN and 5V-PIN. Please pay attention to use, do not lift the shield cover.
Sewable LEDs x10
Key Technical Details: Color: Rose Pink Operating Voltage: 3.0V - 6.0V Current Draw: ~5mA (at 3.3V) Brightness: Typical Diameter: 12.5mm / 0.5" Height: 2.7mm / 0.1" Weight: 0.4g
Q: Can I wash garments with LED Sequins sewn in? A: Yes, but hand washing is recommended, and the power supply should be removed before washing. Ensure the garment is completely dry before reconnecting the power.
Q: How many LED Sequins can I connect to a single Arduino pin? It depends on the current limit of the Arduino pin (typically 20-40mA). As each LED Sequin draws approximately 5mA, you can connect up to 4-8 LED Sequins in parallel to a single pin without exceeding the current limit.
-> use a transitor, we already have a Mosfet which is a transistor
MOSFET PQPSONO6L
Pinout: Gate (G), Drain (D), Source (S).
Key Differences: N-Channel MOSFET: Conducts when a positive voltage is applied to the gate relative to the source. P-Channel MOSFET: Conducts when a negative voltage is applied to the gate relative to the source
Typical Use Cases: MOSFETs are ideal for switching and amplifying high-current loads. In industrial PCB assemblies, they are widely used in Motor control boards, Power supply circuits, Battery management systems, High-efficiency LED drivers
PCB Assembly Insight: Always specify whether an N-Channel or P-Channel MOSFET is required in your BOM and assembly drawings. The wrong selection or incorrect pin orientation can result in overheating, power loss, or complete circuit failure.
Resistor 330 mΩ x5
- Yellow LED x1 (test LED)
- Resistor 150kΩ x1
- 5V external battery
Calcul Leds sequin ADAFRUIT¶
Objectifs: 10 to 16 leds for Parrallele: 3/5 lignes
Current: PIN 5V - Led sequin : 1.1 V - I:20 mA _ R:220 ohm _ U: 5mA - 4 led x 1,1 V = 4,4 V - Tension (R): 5-4,4 = 0,6 V - U = R * I -> R = U / I - R = 0,6 V / 0,020 A = 30 ohm
4 lignes: Current per ligne: 20 mA. Current for 4 lignes: 80 mA (Max 100 mA for a FabriXiao).
Control: Use transistor/MOSFET to command them by a Pin of the FabriXiao.
Calcul Leds yellow¶
1 LED Yellow U = 3,3 U LED yellow : ~2 V Desired current: 20 mA. Required resistance: R = (3.3 V - 2 V) / 0.02 A = 65 Ω. Use a 220 Ω resistor to limit the current to ~6 mA (safer for the FabriXiao).
Circuit¶
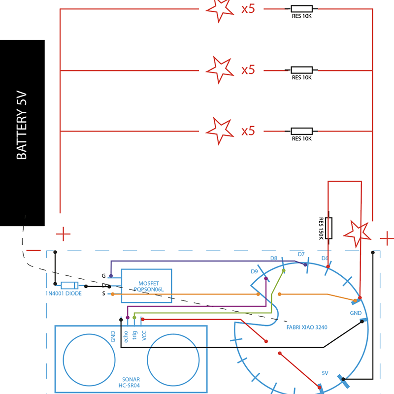
The black line is Conductive threat embroidery. The blue line is none condutive thread. It is an aesthetic solution for placing electronic elements. This also allows me to place a layer of protective fabric and pass through the layers with a needle to sew the elements to the circuit. It is also an educational asset.
The schema 2 was obtained by using Illustrator and Inkscape
Code¶
// Pin definitions
int alertLedPin = A2; // Pin for alert LEDs (1 or 2 LEDs)
int trigPin = A1; // Ultrasonic sensor trigger pin
int echoPin = A0; // Ultrasonic sensor echo pin
int mosfetPin = D9; // MOSFET gate pin for the 15 main LEDs
long duration, cm; // Variables for the ultrasonic sensor
void setup() {
Serial.begin(9600); // Initialize serial communication
// Pin configuration
pinMode(trigPin, OUTPUT); // Trigger as output
pinMode(echoPin, INPUT); // Echo as input
pinMode(alertLedPin, OUTPUT); // Alert LED pin as output
pinMode(mosfetPin, OUTPUT); // MOSFET as output
// Turn off LEDs at startup
digitalWrite(alertLedPin, LOW);
digitalWrite(mosfetPin, LOW);
}
void loop() {
// Measure distance with the ultrasonic sensor
digitalWrite(trigPin, LOW);
delayMicroseconds(5);
digitalWrite(trigPin, HIGH);
delayMicroseconds(10);
digitalWrite(trigPin, LOW);
// Read the duration of the Echo signal
duration = pulseIn(echoPin, HIGH);
// Convert duration to distance (in cm)
cm = (duration / 2) / 29.1;
// Display the distance in the serial monitor
Serial.print("Distance: ");
Serial.print(cm);
Serial.println(" cm");
// Logic for alert LEDs (on if object is less than 10 cm away)
if (cm <= 10) {
Serial.println("WARNING: Object detected less than 10 cm away");
digitalWrite(alertLedPin, HIGH); // Turn on alert LEDs
} else {
digitalWrite(alertLedPin, LOW); // Turn off alert LEDs
}
// Logic for the 15 main LEDs (on if object is less than 5 cm away)
if (cm <= 5) {
Serial.println("DANGER: Object very close!");
digitalWrite(mosfetPin, HIGH); // Turn on 15 LEDs via MOSFET
} else {
digitalWrite(mosfetPin, LOW); // Turn off 15 LEDs
}
delay(250); // Delay to avoid too rapid measurements
}
Result¶
The result is quite successful, the felt and the hook systems are very interesting to be able to present the circuit in a fun and portable way. The chosen snap buttons are not conductive, I will have to redo this prototype with unfinished, silver-plated buttons. The electronic test is not yet feasible.
I really want to succeed and develop this project. I went to buy conductive snap buttons. I will also remove this notion of a laptop that spoils this educational aspect that interests me. I would also like to collaborate with an engineer to expand this project and create a large-format textile panel.
Idea for the continuation?
Fabrication files¶
Images and drawings: Annabel Fournier unless otherwise stated





















