9. Wearables¶
References & Inspiration¶
This week I focused on the sound aspect of wearables.
Photo Credit: Insitute of Future Technologies
The image above was a tutorial from the Insitute of Future Technologies that I found very well laid out and easy to follow. It explained the proporties of making a fabric speaker very well. Textile Speaker – IFT
This video from @EngineeringMindset was a quick and easy explanation of how a transitor works in visual terms. It helped me understand the point of a MOSFET. YouTube Short
Additionally, Kobotkant always provides a wealth of knowldege. I mostly stuck to the IFT tutorial above, but this page DIY at Kobakant has so many applications and tests to try. I know I'll be referencing it a lot more when I get deeper into this field.
Research and Review¶
We did some important review in Emma Pareschi's tutorial this week and it was very very useful. Here is a quick recap:
CALCUALTING CURRENT
The point of calculating current is to understand if your BATTERY / LOAD is too high for the OUTPUT i.e. your heat pad or speaker or whatever you are trying to use to change the environment around you (the ACTUATOR). We are essentially making sure the battery is safe to supply that much current and that the ACTUATOR can handle it without problems.
If the battery power is too high a few things can happen:
-
The ACUTATOR can overheat, burn or melt.
-
IThe MOSFET transistor can overheat or fail.
-
The BATTERY can drain super fast or overheat.
So to figure out if our power source is safe we need to apply Ohms law:
I used my multimeter to calculate a resistance of my various swatches as seen below. If I couldn't get one fixed reading I measured the resistance multiple times and took the average.
Photo Credit: Claire Cavanagh,2025
Photo Credit: Claire Cavanagh,2025
I started with a 3V battery. So my formula was as such: I = 3v / R
THE MOSFET
The MOSFET is a transistor. It helps manage a safe flow of electricity.
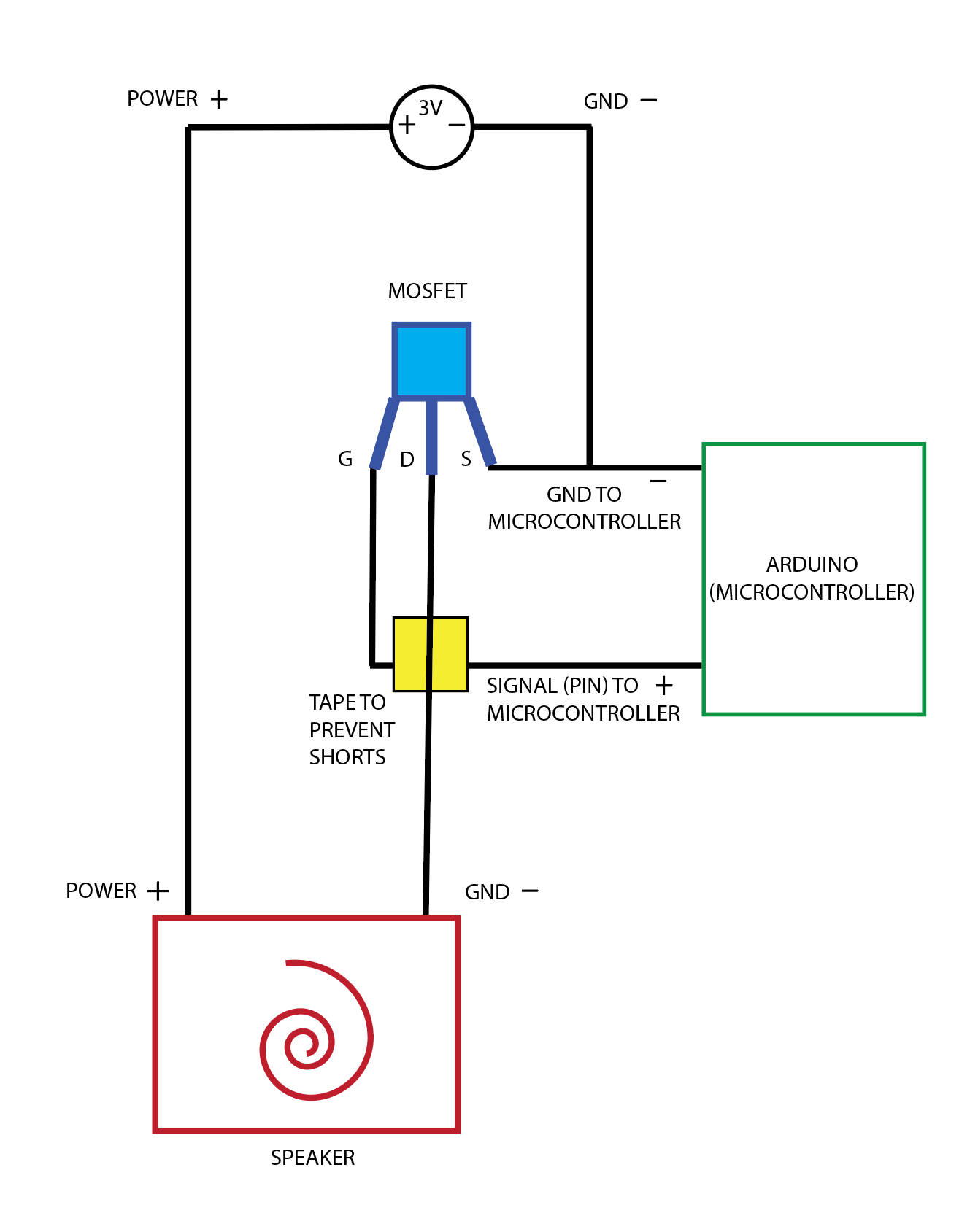
The whole point of using a MOSFET is to manage the voltage of our circut so we can safely attach an Arduino (MICROCONTROLLER) that tells the speaker what to do. If we don't use a MICROCONTROLLER, the speaker would just be on at full voltage until we disconnect the circuit. So we need to tell the speaker how to react via the Arduino.
The Arduino can only give about 40ma safely, so it's not suitable as a power source for both MOSFET and ACTUATOR (aka speaker). But it can power the MOSFET.
For my circuit board I used the IRFZ44N Mosfet. According to ChatGPT apparently this wasn't the best Mosfet for my purposes becaues it needs a lot of power to flip the gate. It still worked, but next time I will choose a mosfet that takes less current to open the gate, and add a pulldown resistor to protect the mosfet and my laptop (generally not an issue but for piece of mind). This one typcially takes at least 8-10V to fully open. Luckily it opened enough to work my speaker. But I had to get rid of my pull-down saftey resistor, as shown in class, becaues the gate did not open enough.
USING THE CIRCUIT TO POWER A SPEAKER
As I mentioned, the BATTERY is what powers the speaker. The Arduino only powers the MOSFET. The Arduino plugs into the PIN and the GND. When we write our signal PIN to HIGH in our code, a small amount of current flows through the Arduino, activating the GATE.
The current from the BATTERY can then flow between the SOURCE and the DRAIN. The speaker is connected to the POSITIVE channel and the DRAIN channel.
A PERMANENT MAGNET sits below the speaker. The conductive thread serves as an ELECTROMAGNET. When we add CURRENT this creates a magnetic field that fluctuates so the speaker will pulse. We need these two fixed and unfixed magnets for this pulsation. The pulsation is what makes the fibres on the fabric vibrate. When the vibrations are transferred to air they create a tone.
Process and workflow¶
I took things slow this week, checking a re-checking my connections before plugging things in that I didn't understand. Electricty can be a serious matter folks.
MAKING THE CIRCUIT
We built our own circuits using carboard, copper tape and a MOSFET. I soldered the MOSEFT to the copper tape using led solder.
(SOLDERING NOTES: You should always wash your hands after using led solder and make sure you are soldering very closer to your fan. You should not breath in the led air that comes off the solder as it's terrible for your health.)
A good soldered connection is a shiny silver ball that is fluid and doesn't have a lot of bumps or uneven surface.
Photo Credit: Claire Cavanagh,2025
Photo Credit: Claire Cavanagh,2025
MAKING THE SPEAKER
Annie graciously offered to help me with printing some tests on the embroidery machine. We used the Madeira conductive thread.
She quickly generated some spirals in inkscape and we played with different distances between each turn.
Photo Credit: Claire Cavanagh,2025
Photo Credit: Claire Cavanagh,2025
Photo Credit: Claire Cavanagh,2025
The Brother PE Embroidery machine has pre-sets that allow you to choose between a run stich or a fill. So we did a few tests.
We output all the circles in black. Then on the machine we set channel 2, which was set up with conductive thread to read the black stich lines.
This was the result.
I had a lot of faith in the circle with wider distances between turns. I suspected the others would have overlap in certain places that would cause shorts.
In actuality none of them worked. When I plugged them all into the multimeter the resistance wasn't reading, so I suspect there were shorts in all of them.
So I moved on to a new tactic....
MORE COILS
My next tests were a series of hand made coils as already seen above when I was discussing resistance. 8 Ohms is a good coil resistance target for a small amp.
My first swatches used the Madeira HC12 conductive thread. ChatGPT suggested the Madeira HC41 was too resistive and so the coil would be impractically tiny.
So I cut 30cm of HC12 conductive thread. 1m would have given me a truly accurate reading, but I didn't want to waste thread. So I just had to convert cm to m for my formula as seen below:
I converted cm to m.
My formula looked like this:
For hand made coils, I read that you should try hard to prevent the fabric from bunching, so the hoop helped keep things flat. The turns and the stitches should be roughly 1-2mm apart.
Photo Credit: Claire Cavanagh,2025
I tried one version with just single thread, and one with the thread doubled up to see if the current was stronger.
The theory from ChatGPT and from class was that when you double your thread you are cutting the resistance in half, which means more current from the 3V can flow.
COPPER COILS
I also made copper coils. The resistance for these was much lower. This is an explanation of why the copper coil was a better option the my conductive thread:
The resistance of the copper wire was .345 Ohms per meter. The HC threads were:
-
HC12 = 30-40 ohms / meter
-
HC41 + 120 ohms / meter
So the copper coil had much more current. It was also easier to create smoothier coils and manipulate them so they are a nice tightness without touching.
For the pen coil, I twisted the copper thread around a pen 50 times as seen in Emma's tutorial.
For the copper coil on paper I aimed for a diameter of 5cm adn 15 turns.
Again according to chatGpt the resistance of the coils would be in the following ranges:
-
10 turns = 2.5-2 ohms
-
15 turns = 3-5 ohms
-
20 turns = 6-8 ohms
-
25 turns = 10 - 12 ohms
All of these were in a workable limit, but 15 tuns was ideal for a 3V battery.
-
10 would be ok with a big magnet.
-
20 would be easiest on the battery
-
and 25 would be fine but just not as good option as the others.
I sanded both the ends to get rid of the insulation before plugging them in.
I also tried a coil with copper foil tape. Using the multimeter I tested the connections. Some didn't work so for extra strength I soldered all the foil connections and then the readings from the multimeter always worked.
Photo Credit: Claire Cavanagh,2025
PROGRAMMING THE ARDUINO
I downloaded the tone library in Arduino.
ChatGpt was telling me I needed a 100 Ohm pull down resistor to protect the Arduino - drain/ gate connection. So I tried this on the bread board.
Photo Credit: Claire Cavanagh,2025
TROUBLE SHOOTING
My swatches weren't working so we needed to isolate what could possibly be the problem.
First I tested my battery. Most of them were almost dead by this point. The image below is just how to test the battery. This was from the beginning of my process and I wanted to include it as a visual reference for how to do this. But at this point the reading was actually around 0.2.
Photo Credit: Claire Cavanagh,2025
So we swapped the battery out for a DC power supply to have more control of the current.
I'd all but given up for the day when Annie asked if I had actually hooked up an LED to test the circuit or if I had just considered it. I hadn't actually done it prior because and LED and my speaker had differnt resitor needs so I'd previously tried to avoid this. But I figured now I needed to be sure the circuit was definitely not the problem.
So I added 33ohm resistor for my red LED. I would have used 30 but 33ohms is what I had.
Then I ran a blink test and it worked!
Again because my mosfet was only partially working, adding a resistor was limiting whatever current could flow even further. By removing the resistor, I was giving more current to pass through.
In an ideal world I would use a logic-level MOSFET. Suggestions I was given include:
- IRLZ44N or AO3400A
This would allow much more current to reach the speaker.
Results¶
Now, without the resistor, the tone on my copper coil was audible! I also needed to stack up 5 magnets instead of just one.
In summary, the specs for this coil were:
-
0.09 ohms
-
Supply Voltage = 3v
-
Current ( 1=V/R) = 33.3A
It also worked for my copper pen coil that had 50 turns as mentioned above (now bunched up). In retrospect I feel like the resistance was actually too low, and if I'd run the tone for a long time it might have overheated the coil so it's an important thing to note.
In summary, the specs for this coil were:
-
1.1 Ohms
-
Supply Voltage = 3v
-
Current ( 1=V/R) = 2.73A
The video didn't capture the sound, but here is a picture of it anyway.
Photo Credit: Claire Cavanagh,2025
Photo Credit: Claire Cavanagh,2025
Code Example¶
And here is the code that I used to run the tone:
const int coilPin = 9; // PWM pin connected to MOSFET gate
const int frequency = 440; // Frequency in Hz (A4 note)
const int toneDuration = 5000; // 1 second tone
const int pauseDuration = 1000; // 3 second pause
void setup() {
pinMode(coilPin, OUTPUT);
}
void loop() {
// Generate tone
int period = 1000000L / frequency; // period in microseconds
int halfPeriod = period / 2;
unsigned long startTime = millis();
while (millis() - startTime < toneDuration) {
digitalWrite(coilPin, HIGH);
delayMicroseconds(halfPeriod);
digitalWrite(coilPin, LOW);
delayMicroseconds(halfPeriod);
}
// Pause for 3 seconds
digitalWrite(coilPin, LOW); // make sure pin is LOW
delay(pauseDuration);
}



